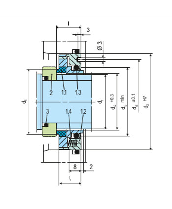
B100 / B800
Product Description
- Single seal configuration
- Balanced Design
- Independent of direction of rotation
- Stationary design with multiple springs
| Details | |
|---|---|
| Item No. | Description |
| 1.1 | Seal Face |
| Seal Face Housing | |
| 1.2 | Drive Collar |
| 1.3 | O-Ring |
| 1.4 | Spring |
| 2 | Rotating seat * |
| 3 | O-Ring |

