U700N
Product Description
- Single seal configuration
- Unbalanced design
- Independent of direction of rotation
- For plain shafts
- Multiple or wave springs rotary construction
- Pumping device available for increased efficiency in circulation
- Sealing with FEP & Spring energized PTFE seals also available on request
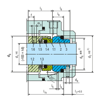
| Details | |
|---|---|
| Item No. | Description |
| 1.1 | Seal face |
| 1.2 | Drive collar |
| 1.3 | Thrust ring |
| 1.4 | O-Ring |
| 1.5 | Spring |
| 1.6 | Set screw |
| 2 | Seat (G9) |
| 3 | O-Ring |

