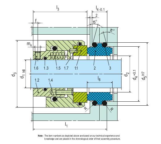
BGH201
Product Description
- Single seal in semi split configuration
- Balanced design
- Independent of direction of rotation
- For plain shafts
- Rotary unit with multiple springs
| Details | |
|---|---|
| Item No. | Description |
| 1.1 | Seal face * |
| 1.2 | Drive collar |
| 1.3 | O-ring * |
| 1.4 | O-ring |
| 1.5 | Spring |
| 1.6 | Set screw |
| 1.7 | O-ring * |
| 2 | Stationary Seat * |
| 3 | O-ring * |
*For disassembly of unsplit seal faces, seats and O-Ring should be broken or cut.

