QFS2000
Product Description
- Circulation in accordance with API 682 / ISO 21049: Plan 51, Plan 52
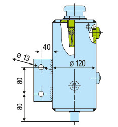
- Quench fluid supply system is employed for applications in sealing systems with a wide variety of operating parameters for supplying quench fluid to double and tandem mechanical seals. They act as a convenient fluid reservoir. The exchange of fluid takes place by the thermosiphon principle or by forced circulation, for example with a pumping screw. The QFS2000 stainless steel tank is equipped with sight-glasses for monitoring the MIN/MAX level and can be fastened with a lug fixture. The leakage overflow can be selectively discharged.
| Details | |
|---|---|
| Item No. | Description |
| 1 | Storage tank (capacity 3L) |
| 2 | Inlet filter with vented cap |
| 3 | Sight-glass or level switch |
| 4 | Name plate |
| 5 | Overflow G 1/8 |


