B120N
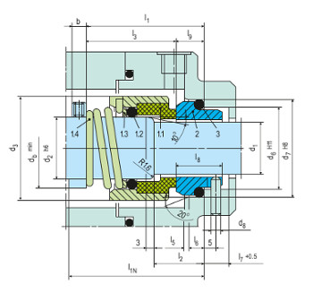
Product Description
- Single seal configuration
- Balanced Design
- Dependent of direction of rotation
- For stepped shafts
- Torque transmission is through the conical spring
| Details | |
|---|---|
| Item No. | Description |
| 1.1 | Seal face |
| 1.2 | O-Ring |
| 1.3 | Thrust ring |
| 1.4 | Right Hand Spring |
| 1.4 | Left Hand Spring |
| 2 | Seat (G9) |
| 3 | O-Ring |

